公司熱線: 13316615888
YNTO05-400電動執行器
YNTO05-400電動執行器
遠通精小型電動執行器采用上裝式結構,在高壓、大口徑條件下減少了閥體自身的連接螺栓,增強了閥門的可靠性且能克服系統自重對閥門正常工作的影響。遠通精小型電動執行器廣泛應用于煤化工、石油化工、橡膠、造紙、制藥等管道中作介質的分流合流或流向切換裝置。
應用范圍:公稱通徑:DN50mm~DN300mm(NPS2~12);
公稱壓力:PN10MPa~16MPa;
使用溫度范圍:-29℃-300℃。
主要功能及特點:
1、功能強勁:智能型、比例式、開關式、各類信號輸出型應有盡有。
2、體積小巧:體積僅相當于同類產品的35%左右。
3、輕便宜人:重量僅相當于同類產品的30%左右。
4、性能可靠:軸承牙口電器元件等關鍵零部件采用進口名牌產品。
5、美觀大方:鋁合金壓鑄外殼、精細流暢、且可減少電磁干擾。
6、精密耐磨:蝸輪輸出軸一體化特殊鋁合金鍛造、強度高、耐磨性好。
7、回差極小:蝸輪輸出軸一體化、避免了鍵聯結的間隙、傳動精度高。
8、安全保證:通過1500V耐壓檢測,F級絕緣電機,安全有保障。
9、配套簡單:采用單相電源、外接線路特別簡單,也可做380V、直流電源。
10、使用方便:免加油、免點檢、防水防銹、任意角度安裝。

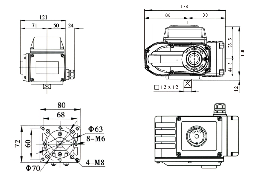
YNTO03-05外形尺寸圖:

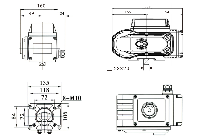
YNTO10-16外形尺寸圖:

YNTO30-60外形尺寸圖:

YNTO125-250-400外形尺寸圖:



控制電路圖:


- 上一條:YT-05系例電動執行器
- 下一條:YT-02CH電動執行器




